Jó választás:
- Irodaházak, nagyobb épületek fűtési rendszeréhez
- Családi házak fűtési rendszerébe
- Ipari környzetben
Az ALPHA1 egy nagy hatásfokú keringtetőszivattyú, amelyet fűtési és légkondicionáló rendszerekhez terveztek. Ideális választás alapvető funkciókhoz.
Jellemzői
ERP-kompatibilis
Megfelel az ERP-nek
Az ERP bázisponton lévő energiahatékonysági mutatóval (EEI) a leghatékonyabb keringtetők esetében.
Energiatakarékos
Energiahatékony kialakítás, amely segít csökkenteni az energiaszámlákat és a környezeti hatást.
Robusztus indítás
Nagy nyomatékú indítás
Üzemen kívüli időszakok után a csapágyak megszorulhatnak a részecske- vagy vízkőlerakódás miatt. A robusztus indítási funkció folyamatosan megpróbálja újraindítani a szivattyút a lehető legnagyobb nyomatékkal.
Megbízhatóság
A robusztus indítási funkciónak köszönhetően a háztulajdonosoknak nem kell aggódniuk, amikor a szivattyú hosszú ideig tartó leállás után újraindul.
Automatikus légtelenítés
Automatikus légtelenítés
Az automata légtelenítő funkció automatikusan kiengedi a bennrekedt levegőt, és a rendszer szellőzőnyílásai felé irányítja azt.
Csendes és hatékony működés
A hagyományos szivattyúkban a bennrekedt levegő felhalmozódása gyakran zavaró zajt és csökkent teljesítményt eredményez. Az automata légtelenítő funkció csökkenti a zajt és növeli a működési hatékonyságot.
Kerámia tengelyek és csapágyak
Kopásálló kialakítás
A kerámia tengelyek és csapágyak nagyon kevéssé kopnak, ami hosszabb élettartamot eredményez, és csökkenti a kopás által okozott nagyobb csapágyhézag miatt kialakuló zaj lehetőségét a rendszerben.
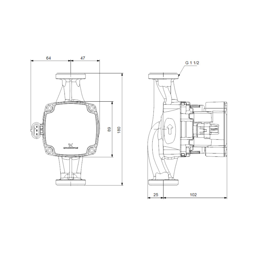
ALPHA1 25-60 180
Az ALPHA1 egy nagy hatásfokú keringtetőszivattyú, amely elektronikusan kommutált motorral van felszerelve, és folyadékok keringtetésére tervezték fűtési és légkondicionáló rendszerekben.
Az ALPHA1 intelligens vezérlőkkel van felszerelve, és három szabályozási módot kínál: állandó nyomás, arányos nyomás és állandó görbe. Mindegyik üzemmód három állítható fordulatszám-beállítással rendelkezik.
A szerszám nélküli telepítőcsatlakozó gyors és egyszerű elektromos csatlakoztatást tesz lehetővé.
Az automatikus légtelenítés és a szárazonfutás elleni védelem biztosítja a szivattyú csendes működését és megbízhatóságát.
A termék robusztus indítási tulajdonságokkal rendelkezik, amely csökkenti a szennyeződések, a magnetit és a vízkőlerakódás miatti megszorulás kockázatát. Abban a valószínűtlen esetben, ha a szivattyú megszorul, a motor folyamatosan a lehető legnagyobb nyomatékkal próbál elindulni, biztosítva az indítást nehéz körülmények között is.
A kerámiatengely és a csapágyak minimális kopásnak vannak kitéve, ami hosszabb élettartamot eredményez és csökkenti a kopásból eredő megnövekedett csapágyhézag miatt bekövetkező zaj valószínűségét a rendszerben.
A hibakeresés gyors és egyszerű a szivattyú kezelőpaneljén található hibaszimbólumok segítségével.
| Folyadék: | |
| Szivattyúzott közeg: | Víz |
| Folyadékhőmérséklet tartomány: | -10 .. 110 °C |
| Folyadék-hőmérséklet működés közben: | 60 °C |
| Sűrűség: | 983.2 kg/m³ |
| Műszaki: | |
| Névleges térfogatáram: | 2.28 m³/h |
| Névleges szállítómagasság: | 3.06 m |
| A szivattyúfej tájolása: | 9H |
| TF osztály: | 110 |
| Jóváhagyások: | CE,VDE |
| Anyagok: | |
| Szivattyúház: | Öntöttvas |
| EN 1561 EN-GJL-150 | |
| ASTM A48-150B | |
| Járókerék: | Composite |
| PES+30% GF | |
| Telepítés: | |
| Megengedett hőmérséklettartomány: | 0 .. 55 °C |
| Maximális üzemi nyomás: | 10 bar |
| Csatlakozó típusa: | G |
| Csatlakozóméret: | 1 1/2 inch |
| A csőcsatlakozás névleges nyomása: | PN 10 |
| Beépítési hossz: | 180 mm |
| Elektromos adatok: | |
| Minimális bemenőteljesítmény - P1: | 4 W |
| Bemenő teljesítmény P1: | 45 W |
| Hálózati frekvencia: | 50 / 60 Hz |
| Névleges feszültség: | 1 x 220-240 V |
| Minimális áramfelvétel: | 0.06 A |
| Maximális áramfelvétel: | 0.45 A |
| Védettségi osztály (IEC 34-5): | IP44 |
| Szigetelés osztály (IEC 85): | F |
| Hővédelem: | Electronic |
| Egyéb: | |
| Energia (EEI): | 0.20 |
| Saját tömeg: | 1.97 kg |
| Össztömeg: | 2.17 kg |
| Szállítási térfogat: | 0.004 m³ |
| Származási ország: | RS |
| Egyedi vámtarifaszám: |
| 84139100 |






